



Montaż natablicowy. Bezpośredniego podłaczenia. Przekaźniki priorytetowe stosujemy między innymi, gdy w obwód prądowy podłączone są minimum dwa odbiorniki dużej mocy mogące pracować niezależnie, a ich jednoczesna praca spowodowałaby zadziałanie zabezpieczeń prądowych.
Montaż natablicowy.
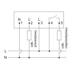
Przeznaczenie:
Przekaźniki priorytetowe stosujemy między innymi, gdy w obwód prądowy podłączone są minimum dwa odbiorniki dużej mocy mogące pracować niezależnie, a ich jednoczesna praca spowodowałaby zadziałanie zabezpieczeń prądowych.
Działanie:
Potencjometrem nastawiana jest wartość poboru prądu w obwodzie priorytetowym, powyżej której przekaźnik odłącza obwód niepriorytetowy. Spadek poboru prądu w obwodzie priorytetowym poniżej nastawionej wartości progowej spowoduje automatyczne załączenie obwodu niepriorytetowego. W przypadku kiedy załączony jest już odb. priorytetowy przekaźnik uniemożliwi załączenie odb. niepriorytetowego.
Prąd odbiornika priorytetowego i niepriorytetowego nie może być większy od 16A.
Dane techniczne:
Brak recenzji użytkowników.