



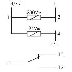
Styk 1P. Uniwersalne. Służą do sterowania czasowego w układach automatyki przemysłowej i domowej (np.:wentylacji, ogrzewania, oświetlenia, sygnalizacji, itp). Zasilanie: 230V i 24V.
Styk 1P
Przeznaczenie:
Przekaźniki czasowe służą do sterowania czasowego w układach automatyki przemysłowej i domowej (np.:wentylacji, ogrzewania, oświetlenia, sygnalizacji, itp).
Działanie:
Funkcje:
*OPÓŹNIONE WYŁĄCZENIE (A)
Do czasu załączenia przekaźnika styk pozostaje w pozycji 11-10 (3-5 dla PCU-511 UNI). Po podaniu napięcia zasilającego styk zostaje przełączone w pozycję 11-12 (3-7 dla PCU-511 UNI) i następuje odmierzanie nastawionego czasu pracy t. Po odmierzeniu czasu t styk powracaja do pozycji 11-10 (3-5 dla PCU-511 UNI). Ponowna realizacja trybu pracy przekaźnika możliwa jest po odłączeniu napięcia zasilającego i ponownym jego załączeniu.
*OPÓŹNIONE ZAŁĄCZENIE (B)
Przed i po podaniu napięcia zasilającego styk pozostaje w pozycji 11-10 (3-5 dla PCU-511 UNI) i następuje odmierzanie nastawionego czasu pracy t. Po odmierzeniu czasu t następuje przełączenie styku w pozycję 11-12 (3-7 dla PCU-511 UNI). Ponowna realizacja trybu pracy przekaźnika możliwa jest po odłączeniu napięcia zasilającego i ponownym jego załączeniu.
*OPÓŹNIONE WYŁĄCZENIE - CYKLICZNIE (C)
Tryb pracy opóźnionego wyłączania realizowany cyklicznie w jednakowych odstępach ustawianego czasu pracy i przerwy.
*OPÓŹNIONE ZAŁĄCZENIE - CYKLICZNIE (D)
Tryb pracy opóźnionego załączania realizowany cyklicznie w jednakowych odstępach ustawianego czasu pracy i przerwy.
* Ustawienie przełącznika obrotowego zakresu czasowego w pozycji:
ON przy włączonym zasilaniu powoduje trwałe załączenie styku w pozycję 11-12 (3-7 dla PCU-511 UNI).
OFF przy włączonym zasilaniu powoduje trwałe załączenie styków w pozycję 11-10 (3-5 dla PCU-511 UNI).
* Przy włączonym zasilaniu układ nie reaguje na zmianę nastaw zakresu czasowego.
* Praca z nowo ustawionym zakresem czasu następuje po wyłączeniu i powtórnym włączeniu zasilania.
* Przy włączonym zasilaniu w ustawionym zakresie czasowym możliwa jest płynna regulacja czasu w zakresie wartości nastawy czasu.
Dane techniczne:
Brak recenzji użytkowników.