


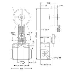
Łącznik krańcowy dźwignią regulowaną i rolką .
Charakterystyka: wytrzymała obudowa, styk przemienny, styk dla końcówek oczkowych, łatwe przyłączenie przewodów.
Napięcie izolacji: 250 V
Znamionowy prąd termiczny: 10 A
Prąd znamionowy roboczy:
Przekrój przewodów połączeniowych: obrobiony, miedziany przewód typu drut lub linka 0,5-1,5mm2
Żywotność mechaniczna: 1x10000000 cykli przełączania
Częstotliwość załączania: maks. 1800 załączeń / godzinę
Temperatura otoczenia: -25 °C…+55 °C
Stopień ochrony: IP 65
Brak recenzji użytkowników.