



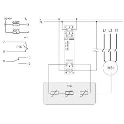
Przekaźnik rezystancyjny. Do współpracy z termistorami PTC. Przekaźnik rezystancyjny (termiczny) służy do ochrony urządzeń elektrycznych przed niepożądanym wzrostem temp. przy wykorzystaniu czujników termistorowych PTC połączonych szeregowo w ilości 1-6szt.
Przekaźnik rezystancyjny. Do współpracy z termistorami PTC.
Przeznaczenie:
Przekaźnik rezystancyjny (termiczny) służy do ochrony urządzeń elektrycznych przed niepożądanym wzrostem temp. przy wykorzystaniu czujników termistorowych PTC połączonych szeregowo w ilości 1-6szt
Działanie:
Prawidłowa praca (zwarte styki 11-12) jest sygnalizowana świeceniem zielonej diody LED U (właściwe napięcie zasilania, prawidłowa temp. kontrolowanego urządzenia, sprawny obwód podłączonych czujników PTC). Wzrost temp. przynajmniej jednego z czujników ponad wartość znamionową powoduje wzrost jego rezystancji powyżej 3000Ω. Następuje zadziałanie przekaźnika (rozwarcie styków 11-12). Załączenie układu nastąpi automatycznie, jeżeli rezystancja pętli czujników PTC spadnie poniżej wartości 1800Ω (obniżenie temp. kontrolowanego urządzenia). Styk przekaźnika wykonawczego zostanie również otwarty, gdy rezystancja pętli obniży się do 70Ω, np. przy zwarciu przewodów czujnika PTC lub nastąpi wyłączenie napięcia zasilającego przekaźnik.
Dane techniczne:
Brak recenzji użytkowników.