




Przełacznik GWIAZDA-TRÓJKĄT
Przeznaczenie:
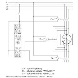
Do sterowania stycznikowym układem przełączeniowym GWIAZDA-TRÓJKĄT.
Działanie:
Sterownik posiada specjalny układ dwóch przekaźników elektromagnetycznych, który eliminuje ryzyko załączenia dwóch styczników jednocześnie. Każdy z przekaźników steruje odpowiednim stycznikiem. W chwili przełączenia z układu GWIAZDA na TRÓJKĄT pierwszy rozłącza stycznik „gwiazdy”, następuje wymuszona przerwa czasowa, a następnie drugi przekaźnik załącza stycznik „trójkąta”. Po załączeniu zasilania styk GWIAZDAY zostanie przełączony w pozycję 7-9 na ustawiony czas rozruchu t1. Styk TRÓJKĄTA pozostaje w pozycji 10-11. Po upływie czasu rozruchu t1 styk GWIAZDAY zostanie przełączony w pozycję 7-8 (styk TRÓJKĄTA nadal pozostaje w pozycji 10-11) i nastąpi przerwa przełączenia o ustawionym czasie t2. Po upływie czasu t2 styk TRÓJKĄTA zostanie przełączony w pozycję 10-12 i pozostaje w tym stanie do momentu odłączenia napięcia zasilającego (styk GWIAZDAY pozostaje w pozycji 7-8).
Nastawa czasu rozruchu i czasu opóźnienia przełączenia.
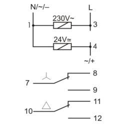
Pokrętłem wyboru zakresu czasowego T↔ ustawiamy wybrany zakres czasowy (dla opcji opóźnienia przełączenia t2=75msek z lewej strony skali, a dla opcji opóźnienia przełączenia t2=100msek z prawej strony skali). Pokrętłem T× ustawiamy wartość na skali od 1 do 10. Iloczyn tych wartości jest równy czasowi rozruchu t1 (np. t1=1s×7=7sek).
Dane techniczne:
Brak recenzji użytkowników.