Sterownik czasowy programowalny prawo-lewo STP-541
      Sterownik czasowy programowalny prawo-lewo STP-541
      Sterownik czasowy programowalny prawo-lewo STP-541
      Sterownik czasowy programowalny prawo-lewo STP-541

      Sterownik czasowy programowalny prawo-lewo STP-541

      Recenzja (0)
      245,58 zł
      brutto (cena wyłącznie on-line)

      STEROWNIK CZASOWY typu -praca PRAWO-LEWO-. Sterownik programowalny. Służy do sterowania procesami technologicznymi w układach automatyki przemysłowej, w których zachodzi potrzeba czasowego, cyklicznego, naprzemiennego załączania odbiorników z wymuszonymi, czasowymi przerwami między kolejnymi złączeniami. Zasilanie: 24-264V.

      Ilość :
      7produktów

      Kup teraz i otrzymaj środę, 8 kwietnia 2026 z Kurier GLS

      • Polityka bezpieczeństwaPolityka bezpieczeństwa
      • Zasady dostawyZasady dostawy
      • Zasady zwrotuZasady zwrotu

      STEROWNIK CZASOWY typu -praca PRAWO-LEWO

      Przeznaczenie:

      Sterownik programowalny służy do sterowania  procesami technologicznymi w układach automatyki  przemysłowej, w których zachodzi potrzeba czasowego, cyklicznego, naprzemiennego załączania odbiorników z wymuszonymi, czasowymi przerwami między kolejnymi złączeniami.

      Działanie:

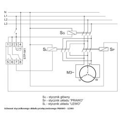
      Sterownik realizuje pracę zgodnie z programem czterech czasów i liczbą cykli. Cykl to sekwencja czterech następujących po sobie załączeń styków.Po załączeniu zasilania sterownik automatycznie przechodzi do realizacji programu .  Styk zostanie przełączony w poz. 1-5 na czas t1.  Po czasie t1 styk powróci do położenia 1-6  na czas t2. Dopiero po czasie t2 drugi styk zostanie przełączony w poz. 2-7 na czas  t3. Po czasie t3 styk przełączony w poz. 2-8 na czas t4. Po czasie t4 sterownik rozpocznie cykl programu od początku (od czasu t1). Cykl zostanie powtórzony zgodnie z zaprogramowaną liczbą powtórzeń lub nieskończenie przy pracy w “pętli”. Zanik napięcia zasilania >1sek spowoduje zatrzymanie realizacji programu sterownika. Po ponownym załączeniu zasilania sterownik zacznie realizować program od początku łącznie z zaprogramowaną liczbą powtórzeń cykli.

      Dane techniczne:

      • zasilanie 24÷264V AC/DC
      • prąd obciążenia  2×(
      • styk 2× separowany 1P
      • nastawy czasowe t1, t2, t3, t4  1sek÷99h59min59sek
      • dokładność nastawy czasu  1sek
      • liczba powtórzeń cyklu  1÷999999 lub nieskończenie w pętli
      • pobór mocy  1,5W
      • temperatura pracy  -20÷50°C
      • przyłącze zaciski śrubowe 2,5mm²
      • wymiary 2 moduły (35mm)
      • montaż  na szynie TH-35
      F&F
      STP-541

      Opis

      Napięcie
      230V
      Montaż
      szyna DIN

      Kod EAN

      EAN13
      5908312596141

      Brak recenzji użytkowników.

      Napisz recenzję
      Sterownik czasowy programowalny prawo-lewo STP-541
      Sterownik czasowy programowalny prawo-lewo STP-541 F&F

      Sterownik czasowy programowalny prawo-lewo STP-541

      245,58 zł
      brutto (cena wyłącznie on-line)