



Umożliwia załączenie oświetlenia lub innego urządzenia z kilku różnych punktów za pomocą równolegle połączonych przycisków sterujących. BIS-414 230V może współpracować z wyłącznikami podświetlanymi. BIS-414 24V nie może współpracować z wyłącznikami podświetlanymi. Styki 1Z. Wersja przekaźnika „i” jest ze stykiem przystosowanym do współpracy z odbiornikami o dużym prądzie startowym, takimi jak: świetlówki LED, świetlówki ESL, transformatory elektroniczne, lampy wyładowcze itp.
Wersja przekaźnika „i” jest ze stykiem przystosowanym do współpracy z odbiornikami o dużym prądzie startowym, takimi jak: świetlówki LED, świetlówki ESL, transformatory elektroniczne, lampy wyładowcze itp.
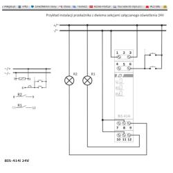
Przeznaczenie:
Elektroniczny bistabilny przekaźnik impulsowy umożliwia załączenie oświetlenia lub innego urządzenia z kilku różnych punktów za pomocą równolegle połączonych przycisków sterujących. BIS-414 24V nie może współpracować z wyłącznikami podświetlanymi.
Działanie:
Załączenie odbiornika następuje po impulsie prądu spowodowanym naciśnięciem dowolnego przycisku chwilowego (dzwonkowego) podłączonego do przekaźnika. Wyłączenie odbiornika nastąpi po następnym impulsie.
Przełączenie przekaźnika w kolejny stan cyklu następuje po kolejnym impulsie prądu spowodowanym naciśnięciem dowolnego przycisku chwilowego (dzwonkowego) podłączonego do przekaźnika.
IMPULS STAN DZIAŁANIA
Przekaźnik nie posiada -pamięci- pozycji styku, tzn., że w przypadku zaniku napięcia zasilania i jego ponownym powrocie styk przekaźnika zostanie ustawiony w stan wyłączenia. Uniemożliwia to samoczynne załączenie sterowanych odbiorników bez nadzoru po długotrwałym zaniku napięcia zasilania.
UWAGA!
BIS-414i 24V nie może współpracować z przyciskami podświetlanymi.
Dane techniczne
Brak recenzji użytkowników.