



Służy do utrzymania włączonego oświetlenia korytarzy, klatek schodowych, lub innych obiektów przez określony czas, po upływie którego oświetlenie zostanie wyłączone automatycznie. Mocowany na szynie. Funkcja przeciwblokady. AS-224 nie może współpracować z wyłącznikami podświetlanymi. Napięcie: 224V.
Przeznaczenie
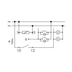
Automat schodowy służy do utrzymania włączonego oświetlenia korytarzy, klatek schodowych, lub innych obiektów przez określony czas, po upływie którego oświetlenie zostanie wyłączone automatycznie. AS-224 nie może współpracować z wyłącznikami podswietlanymi.
Działanie
Załączony wyłącznikiem chwilowym (dzwonkowym) automat schodowy podtrzymuje oświetlenie przez czas ustawiony potencjometrem (od 0,5min. do 10min.). Po upływie nastawionego czasu automat wyłączy oświetlenie samoczynnie. Po wyłączeniu oświetlenia możemy je załączyć ponownie.
Funkcja przeciwblokady nie pozwala na ciągłe świecenie oświetlenia po zablokowaniu wyłącznika schodowego, tzn. po zablokowaniu wyłącznika (np. zapałką) automat odmierzy zadany czas i wyłączy oświetlenie. Ponowne załączenie oświetlenia może nastąpić po usunięciu blokady.
Dane techniczne
Brak recenzji użytkowników.